|
L(m) |
3 |
4 |
5 |
6 |
8 |
9 |
10 |
16 |
20 |
|
C |
9.0 |
7.6 |
6.6 |
5.9 |
5.1 |
4.5 |
4.1 |
3.6 |
3.2 |
|
L(m) |
25 |
32 |
40 |
50 |
6.3 |
80 |
100 |
125 |
160 |
|
C |
2.9 |
2.6 |
2.4 |
2.2 |
2.0 |
1.9 |
1.8 |
1.65 |
1.59 |
|
L(m) |
200 |
250 |
300 |
400 |
500 |
600 |
700 |
800 |
900 |
|
C |
1.47 |
1.38 |
1.33 |
1.25 |
1.20 |
1.17 |
1.13 |
1.11 |
1.08 |
|
B(mm) |
500 |
600 |
650 |
800 |
1000 |
1200 |
1400 |
1600 |
1800 |
|
|
Gm |
标准输送带6 |
17 |
26 |
28 |
40 |
56 |
70 |
85 |
105 |
120 |
|
重载输送带 |
20 |
30 |
32 |
45 |
62.5 |
80 |
110 |
135 |
160 |
|
表2
三、TJ型油浸式电动滚筒的转矩计算
TJ型油浸式电动滚筒的转矩计算可按下列公式计算:

式中:M--转矩(Nm); D--滚筒直径(m)
P--功率:(km); V--带速 (m/sec)
通过电动机率和转矩计算:电动滚筒技术规格参数选用。
四、TJ型油浸式电动滚筒选用注意事项
一、按照上述公式计算出的电动功率在下列情况下需要进行修正。
1、电动滚筒每天连续工作8小时,电机功率需要提高一档。
2、简体包胶的电动滚筒,电机功率应提高一档。
3、启动频繁的电动滚筒,电机功率应提高一档。
二、电动滚筒应当水平安装,***大倾角不超过15°。
三、用户应当严格按照使用说明书规定的润滑油种类润滑油时间更换润滑
油。
四、限制一个方向旋转时,应选用带有机械逆止器的电动滚筒。
五、要求断电立即停车时,应选用带电磁制动器的电动滚筒。
六、电动滚筒的工作环境温度为-10℃至40℃,物料温度小于60℃,海拔高
度不超过1000米,如果工作环境超过上述范围,请与生产厂联系解决。
七、TJ型油浸式电动滚筒如需在负荷下启动,请与生产常联系。
型号说明

例如如订购直径400毫米、功率2.2千瓦、带速为1.25米/秒、筒长为500毫米配用Tz型支座电动滚筒的TJ型电动滚筒可简写为:
TJ-400 / 2. 2 / 1. 25 / 500-TZ
订货注意事项
用户如订购带有逆止器、电磁制动器、F级和H级绝缘、滚筒包胶的电动滚筒请另注明。标准筒长为50mm一档。
五、TJ型油浸式电动滚筒使用润滑油注意事项
TJ型电动滚筒为直接油冷式电动滚筒,因此使用润滑油应格外注意。我们推荐使用我国生产的150号合成极压工业齿轮油。
注油量一定严格按照电动滚筒铭牌中给定的数值。油量过多或过少都会影响电动滚筒的效率和正常运转。
我们建议在电动滚筒工作200-300小时之后,更换滚筒内润滑油。以后每隔5000小时换油一次。为了方便放油,应将两个油塞同时旋开,并且旋转滚筒,使油孔处于***低位置,直至滚筒内油全部放净为止。
六、TJ型油浸式电动滚筒的技术规格参数
●TJ型油浸式电动滚筒名义直径Φ110mm
型式:MINI型
●TJ型油浸式电动滚筒名义直径Φ135mm
型式:00TL 型
|
功率
KW |
带速
m/s |
***小筒宽B min
mm |
***大筒宽B max
mm |
|
0.18 |
0.16 |
300 |
950 |
|
0.25 |
0.20 0.25 |
||
|
0.37 |
0.32 0.40 0.50 |
||
|
0.55 |
0.63 0.80 1.00 |
注:图A为接线盒接线装置 图B为软线接线装置
●TJ型油浸式电动滚筒名义直径Φ160mm
型式:11TL型
●TJ型油浸式电动滚筒名义直径Φ215mm
型式:21TL、 22TL
表6
|
功率
KW |
带速
m/s |
***小筒宽B min
mm |
***大筒宽B max
mm |
||||
|
0.11 |
0.08 |
0.10 |
0.13 |
|
|
400 |
950 |
|
0.25 |
0.13 |
1.16 |
0.20 |
0.25 |
0.32 |
||
|
0.40 |
0.20 |
0.63 |
|
|
|||
|
0.37 |
0.16 |
0.20 |
0.25 |
0.32 |
0.40 |
||
|
0.50 |
0.63 |
0.80 |
1.00 |
1.25 |
|||
|
0.75 |
0.25 |
0.32 |
|
|
|
500 |
950 |
|
0.40 |
0.50 |
0.63 |
0.80 |
1.00 |
400 |
950 |
|
|
1.1 |
1.25 |
1.60 |
2.00 |
2.50 |
|
||
|
0.50 |
0.63 |
0.80 |
1.00 |
|
400 |
950 |
|
|
1.5 |
1.25 |
1.60 |
2.00 |
2.50 |
|
||
|
0.40 |
0.50 |
0.63 |
0.80 |
1.00 |
500 |
950 |
|
|
2.2 |
1.25 |
1.60 |
2.00 |
2.50 |
|
||
|
0.50 |
0.63 |
0.80 |
1.00 |
|
500 |
950 |
|
|
3.0 |
1.25 |
1.60 |
2.00 |
2.50 |
|
||
|
1.00 |
1.25 |
1.60 |
2.00 |
2.50 |
500 |
950 |
|
注:图A为接线盒接线装置 图B为软线接线装置
●TJ型油浸式电动滚筒名义直径Φ315mm
型式:33N、33T
表7
|
功率
KW |
带速
m/s |
***小筒宽B min
mm |
***大筒宽B max
mm |
|||||
|
1.5 |
0.25 |
0.32 |
0.40 |
0.50 |
|
|
500 |
1150 |
|
0.63 |
0.80 |
1.00 |
1.25 |
|
|
|||
|
2.2 |
0.40 |
0.50 |
0.63 |
0.80 |
1.00 |
|
||
|
1.25 |
1.60 |
2.00 |
2.50 |
|
|
|||
|
3.0 |
0.50 |
0.63 |
0.80 |
1.00 |
1.25 |
|
||
|
1.60 |
2.00 |
2.50 |
3.20 |
|
|
|||
|
4.0 |
0.80 |
1.00 |
1.25 |
1.60 |
|
|
||
|
2.00 |
2.50 |
3.20 |
|
|
|
|||
|
5.5 |
1.00 |
1.25 |
1.60 |
2.00 |
2.50 |
3.20 |
||
●TJ型油浸式电动滚筒名义直径Φ400mm
表8
|
功率
KW |
带速
m/s |
***小筒宽B min
mm |
***大筒宽B max
mm |
||||
|
1.5 |
0.50 |
0.63 |
0.80 |
1.00 |
1.25 |
500 |
1150 |
|
1.60 |
|
|
|
|
|||
|
2.2 |
0.80 |
1.00 |
1.25 |
1.60 |
2.00 |
||
|
2.50 |
3.20 |
|
|
|
|||
|
3.0 |
1.25 |
1.60 |
2.00 |
2.50 |
|
||
|
3.20 |
4.00 |
|
|
|
|||
|
4.0 |
1.25 |
1.60 |
2.00 |
2.50 |
|
||
|
3.20 |
4.00 |
|
|
|
|||
|
5.5 |
2.00 |
2.50 |
3.20 |
4.00 |
|
||
型式Ⅱ:44N、44T
表9
|
功率
KW |
带速
m/s |
***小筒宽B min
mm |
***大筒宽B max
mm |
|||
|
2.2 |
0.32 |
0.40 |
0.50 |
0.63 |
600 |
1150 |
|
3.0 |
0.50 |
0.63 |
|
|
700 |
1150 |
|
0.80 |
1.00 |
|
|
600 |
1150 |
|
|
4.0 |
0.63 |
0.80 |
1.00 |
|
600 |
1150 |
|
5.5 |
0.80 |
1.00 |
1.25 |
1.60 |
600 |
1150 |
|
7.5 |
1.0 |
1.25 |
1.60 |
|
700 |
1150 |
|
2.00 |
2.50 |
3.20 |
|
600 |
||
|
功率
KW |
带速
m/s |
***小筒宽B min
mm |
***大筒宽B max
mm |
|||
|
2.2 |
0.32 |
0.40 |
0.50 |
0.63 |
600 |
1150 |
|
3.0 |
0.50 |
0.63 |
|
|
700 |
1150 |
|
0.80 |
1.00 |
|
|
600 |
1150 |
|
|
4.0 |
0.63 |
0.80 |
1.00 |
|
600 |
1150 |
|
5.5 |
0.80 |
1.00 |
1.25 |
1.60 |
600 |
1150 |
|
7.5 |
1.0 |
1.25 |
1.60 |
|
700 |
1150 |
|
2.00 |
2.50 |
3.20 |
|
600 |
||
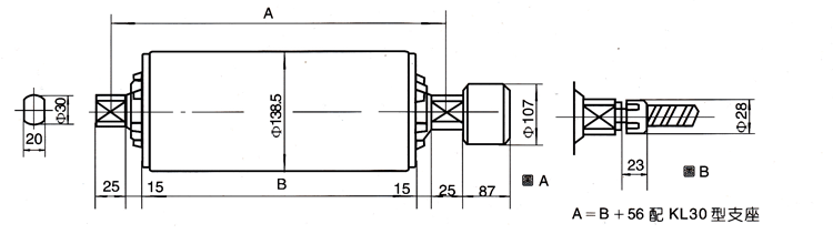
●TJ型油浸式电动滚筒名义直径Φ500mm
型式Ⅰ:54N
TJ型油浸式电动滚筒尺寸:


江苏重泰减速机有限公司
采购 泰兴减速机 请选择重泰减速机有限公司(原 泰兴减速机总厂)
全国咨询电话: 400-710-9918 传真:0510-80212333/85516654/85508340
座机:0510-80212111/80212555/80210978/85519221/85518416/85511836
邮箱:1051532995@qq.com 地址:无锡市解放北路16号